Vizitator Anonim

Baterie Rulota - Montaj | Sfaturi

547 postări în acest subiect de discuţie despre Baterie Rulota - Montaj | Sfaturi

Baterie Rulota - Montaj | Sfaturi

Daniel P
în urmă cu 3 ore, Alin Mihaila a scris:

Am discutat cu cei de la Pitesti si am incercat sa-mi expun speta, dar nu prea au avut rabdare sa ma asculte si intr-un final domnul de la celalalt capat al telefonului mi-a spus ca un astfel de acumulator nu poate fi incarcat de la alternatorul masinii... N-am inteles de ce! In plus nu stiu daca face fata mover-ului instalat pe rulota.

 

1. Nu ca nu poate fi incarcat de la acumulatorul masinii, ci nu se recomanda incarcarea acumulatorilor cu gel, AGM, de la masina, pentru ca le scurtezi durata de viata....Nu te mai tine 7-8 ani, ci 3-4, sau mai putin...

Pentru ei se folosesc incarcatoare speciale, inteligente, cu incarcare prin impulsuri si protectie la supraincarcare...D-aia ti-a zis omul ca n-ar fi OK, dar a doua varianta pe care ti-am recomandat-o mai sus ( Rombat Tempest ) il poti incarca fara probleme si de la alternatorul masinii...

2. Face fata mover-ului, stai linistit...:noroc:

  • Upvote 2

Distribuie această postare


Link către postare
Distribuie pe alte siteuri

Traian M
On 18.04.2017 at 11:55, Alin Mihaila a scris:

Ma intereseaza de fapt ca frigiderul sa functioneze in timpul mersului, iar atunci când ajung in camping sa pot pozitiona rulota cu ajutorul moover-ului.

Frigiderul pe 12V are un randament f prost mai ales vara si consuma foarte mult si repede bateria, si cred ca omori aletrnatorul cu el in functiune. Cu frigiderul poti merge si pe gaz in mers. Preferabil ar fi inainte sa pleci sa dai drumul la frigider la 220 cu 8 ore inainte ca sa se raceasca si sa pleci cu el racit.

Si apropo, nu pleca cu alimente in frigider sau sticle ca ti-l muta din mobila de la miscare daca sunt grele.

Distribuie această postare


Link către postare
Distribuie pe alte siteuri
Alin Mihaila
24 minute în urmă, Traian M a scris:

Frigiderul pe 12V are un randament f prost mai ales vara si consuma foarte mult si repede bateria, si cred ca omori aletrnatorul cu el in functiune. Cu frigiderul poti merge si pe gaz in mers. Preferabil ar fi inainte sa pleci sa dai drumul la frigider la 220 cu 8 ore inainte ca sa se raceasca si sa pleci cu el racit.

Si apropo, nu pleca cu alimente in frigider sau sticle ca ti-l muta din mobila de la miscare daca sunt grele.

Anul trecut am facut un circuit Romania, Ungaria, Croatia, Serbia, aproximativ 3500 km si am folosit instalatia descrisa, dar pe alta rulota. Am fost extrem de multumit de randamentul pe care l-am avut. Am mers in jur de 5-6 ore pe etapa si instalatia a facut fata cu brio. Despre folosirea gazului, ca si sursa de alimentare pentru frigider in timpul mersului, nu cred ca e o varianta buna, mai ales ca si producatorul rulotei/rulotelor interzice cu desavarsire acest lucru.

Distribuie această postare


Link către postare
Distribuie pe alte siteuri
Alin Mihaila
în urmă cu 18 ore, Daniel P a scris:

 

1. Nu ca nu poate fi incarcat de la acumulatorul masinii, ci nu se recomanda incarcarea acumulatorilor cu gel, AGM, de la masina, pentru ca le scurtezi durata de viata....Nu te mai tine 7-8 ani, ci 3-4, sau mai putin...

Pentru ei se folosesc incarcatoare speciale, inteligente, cu incarcare prin impulsuri si protectie la supraincarcare...D-aia ti-a zis omul ca n-ar fi OK, dar a doua varianta pe care ti-am recomandat-o mai sus ( Rombat Tempest ) il poti incarca fara probleme si de la alternatorul masinii...

2. Face fata mover-ului, stai linistit...:noroc:

Multumesc frumos! Cred ca Rombat va ramane :)

  • Upvote 1

Distribuie această postare


Link către postare
Distribuie pe alte siteuri
Radu Marincea

Buna ziua,

am o rulota Adria 5104 din 2002, nou achizitionata, care de altfel este si prima mea rulota.

Am cumparat pentru ea o baterie Sunlight de 100 AH, pe care as vrea sa o cuplez la instalatia rulotei.Mentionez ca rulota are un traf care transforma 220 in 12 V , pe care l-am pozat sa vi-l arat.

As dori sa cuplez bateria ca sa alimentez tot ce e in rulota (totul este pe 12 V) si de asemenea as vrea sa includ un redresor vechi rusesc care este micut dar foarte eficient astfel incat atunci cand alimentez la 220 sa-mi incarc bateria.

Astept ceva sfaturi pt care va multumesc anticipat.

 

 

20170502_200932.jpg

Distribuie această postare


Link către postare
Distribuie pe alte siteuri
Dan Dan

nr 1.-Din tabloul de 220v desfaci cele doua suruburi doar sa respect+ si - tragi un fir de curent  (cu un triplu fara fir asa il cumperi)la un capat tabloul si la celalalt tiplu  toate le cumperi de la un magazin electric sau ceva asemanator maxim 30 ron in triplu alimentezi redresorul pentru baterie. nr 2- desfaci capacul si din transformator ies doua fire + doua - ( o pereche de fire pentru becuri etc si celalalte pompa apa etc) tot pe un cablu electric asemanator de 220 v in capat 2 sisteme de conectare care sa potriveasca modelului de baterie ce il montezi in celalalt capat legi plus izolezi firele din transformator cu cablul cel nou alimentat din baterie toate le bagi inapoi in mufele transformatorului respecta numai+ si - asta e tot plus montat suruburi inapoi.

Distribuie această postare


Link către postare
Distribuie pe alte siteuri
Cristian Stoica

Te-as ruga sa faci o poza ceva mai mare a transformatorului.Mi se pare ca este un transformator care are pe secundar 2 infasurari una pentru consumatori de curent alternativ si una pentru consumatori de curent continu(de aceea te -am rugat sa pui o poza mai mare.)Trebuie , daca e cum am banuit eu , sa ai grija la legaturi , sa nu arzi transformatorul.

 

Distribuie această postare


Link către postare
Distribuie pe alte siteuri
Radu Marincea

Am sa fac sambata niste poze si cu carcasa scoasa pt a se vedea mai bine ce fel de tablou si traf am.Relativ la explicatiile Dl Dan(pt care ii multumesc)..o sa le arat unui electrician pt ca nu sunt de meserie si sincer sa fiu nu prea le-am inteles.

Va multumesc pt raspunsuri

Distribuie această postare


Link către postare
Distribuie pe alte siteuri
Radu Ghita

@Radu marincea te invit cu caldura sa iei la citit tot ce scrie aici.  Cu siguranta vei gasi raspunsuri si la intrebarile pe care inca nu le-ai formulat :)

 

Si crede-ma, asta e cel mai complet raspuns pe care-l puteai primi !:salutare!:

 

In alta ordine de idei, apreciem cursivitatea frazei tale si felul frumos in care scrii. Te-as ruga doar sa acorzi un pic mai multa atentie punctuatiei: punctul, virgula, etc. se pun exact dupa ultima litera din cuvantul precedent. Apoi, se lasa un spatiu si incepi din nou! Si nu mai prescurta - pt in loc de pentru.

 

Probabil ca din graba, n-ai avut timp suficient sa studiezi regulamentul. Te rog sa ma scuzi daca te-am inoportunat si sper sa nu-mi iei in nume de rau aceasta interventie!

 

Cu aceasta din urma recomandare, m-as indrepta si catre colegul @manolescu paul

 

Cu sinceritate,

  • Upvote 2

Distribuie această postare


Link către postare
Distribuie pe alte siteuri
Radu Marincea

Multumesc pentru sfaturi inca o data. O sa incerc sa dau mai multa atentie modului in care scriu, (ma refer la modul de folosire a punctuatiei).

Revenind la topicul deschis, am sa pun poza cu traful fara capac astfel incat sa se vada exact conexiunile din interior, poate asa o sa puteti sa-mi indicati 

chiar cu ajutorul pozei cum sa integrez bateria in circuitul electric (cam ca pentru necunoscatori). 

 Multumesc anticipat

20170507_151028[1].jpg

  • Upvote 1

Distribuie această postare


Link către postare
Distribuie pe alte siteuri
Cristian Stoica

Nu ajuta imaginea cu trafo fara capac, (acolo nici puntea nu se vede).

Pune o poza cu capacul transformatorului, sa se vada schema de pe el!

Modificat de Radu Ghita

Distribuie această postare


Link către postare
Distribuie pe alte siteuri
Radu Marincea

Exista la inceputul topicului o poza cu traful fara capac scos

Distribuie această postare


Link către postare
Distribuie pe alte siteuri
Andrei Preda

Stimabili colegi, cine ma  poate ajuta cum sa montez o baterie pe rulota ?

Am măsurat tensiunea iar la cele două fire care sunt conectate la "baterie " îmi intră tensiunea de la mașina

Unde pot găsi un manual de utilizare? 

IMG_20170627_143708.jpg

Distribuie această postare


Link către postare
Distribuie pe alte siteuri
Marian Eduard

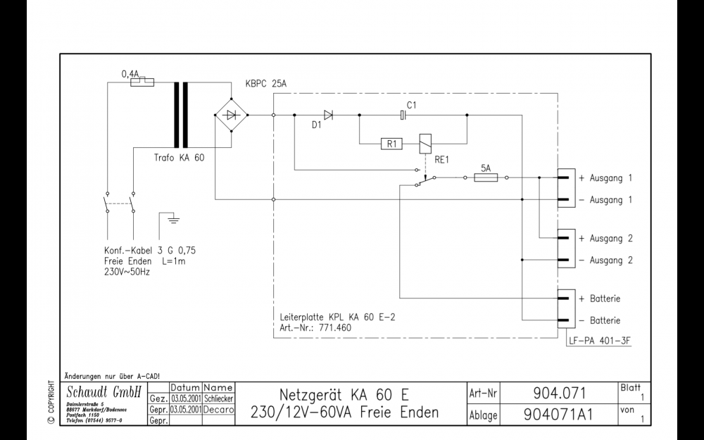
Salut . Nu sunt foarte sigur, dar acela este un transformator care are si functie de incarcare baterie, asta inseamna ca trebuie sa iasa curent la cel putin 13.6 volti. Atunci este foarte simplu pentru ca vei lua plusul de acolo si il duci la plusul tau de pe baterie si la fel faci cu minusul. Celelalte doua mufe (ausgang 1 si 2 ) sunt iesiri catre iluminat si catre pompe si ar trebui sa aiba doar 12 v cc. Cred ca e simplu mai departe. :fug:

 

Distribuie această postare


Link către postare
Distribuie pe alte siteuri
Marian Eduard

"De acolo" ma refeream la prima iesire unde scrie "batterie" si are + si -

 Sper ca m am facut inteles. multumesc

Distribuie această postare


Link către postare
Distribuie pe alte siteuri
Andrei Preda

Și încearcă și in timpul conectării la mașina ?

Distribuie această postare


Link către postare
Distribuie pe alte siteuri
Marian Eduard

Sa intelegem ca ai priza cu 13 pini pe masina si pe  rulota  ?  Acela este sigur un transformator 220VCA /12VCC, dar nu inteleg ce legatura are cu masina. Incearca sa masori tensiune pe mufele acelea si atunci vei avea o idee clara. Cablul gros alb din stanga este pentru legatura la 220 V sau merge in alta parte ? Incearca sa pui poze suplimentare.  

Distribuie această postare


Link către postare
Distribuie pe alte siteuri
Andrei Preda

Da am 13 pini. Cablul acela gros este de 220v

Distribuie această postare


Link către postare
Distribuie pe alte siteuri
Andrei Preda

presupun că a fost alimentată de la masina pentru iluminare. Frigiderul este separat. Daca le scot nu se mai aprinde nimic. Deci îmi trebuie redresor.

Distribuie această postare


Link către postare
Distribuie pe alte siteuri
Costi Lupu

Salut, ce ai tu acolo e doar un redresor ce incarca bateria si alimenteaza in acelasi timp alti consumatori la 12 v pe (ausgang 1 si 2). Cablul alb e alimentarea 230 v si ar trebui sa treaca prin siguranta din tabloul rulotei. El incarca bateria si alimenteaza consumatorii de 12 v doar cind rulota e conectata prin priza externa la reteaua de 230 v.

Distribuie această postare


Link către postare
Distribuie pe alte siteuri
Costi Lupu

Din cite am inteles tu nu ai baterie la rulota. Vezi in compartimentul din fata rulotei sau sub banchete trebuie sa ai doua fire unul cu o siguranta pe el acela e plusul pt baterie iar celalalt e minus. Bafta la cautat.

Distribuie această postare


Link către postare
Distribuie pe alte siteuri
Andrei Preda

Am cautat, dar nu am gasit

Distribuie această postare


Link către postare
Distribuie pe alte siteuri
Andrei Preda

Am găsit schema pe site ul de origine. Nu are mod de încărcare. Cum pot monta un redresor sau sa o pot încărca în timp ce este conectat  la auto

Screenshot_20170627-233518.png

Distribuie această postare


Link către postare
Distribuie pe alte siteuri
Gego Attila

Buna! Comutatorul NETZ inseamna curent (220) cred ca daca e pornit incarca bateria, daca e oprit functioneaza doar cu baterie .dar trebuie masurat ce tensiune are la iesiri (ausgang) si pornit si oprit comutatorul NETZ

Distribuie această postare


Link către postare
Distribuie pe alte siteuri
Gego Attila

Asa se pare si dupa schema

Distribuie această postare


Link către postare
Distribuie pe alte siteuri

Pentru a adăuga comentarii este necesară înregistrarea sau autentificarea

Trebuie să detii un cont de membru pentru a adăuga comentarii

Înregistrare membru

Creaza un cont de membru. Este foarte uşor!

Înregistrare cont nou

Autentificare

Ai deja un cont de membru? Conecteaza-te aici.

Autentificare în cont

  • Conţinut similar

  • Activi pe această pagină   0 membri

    Niciun utilizator înregistrat nu vizualizează această pagină acum.